Beschrijving
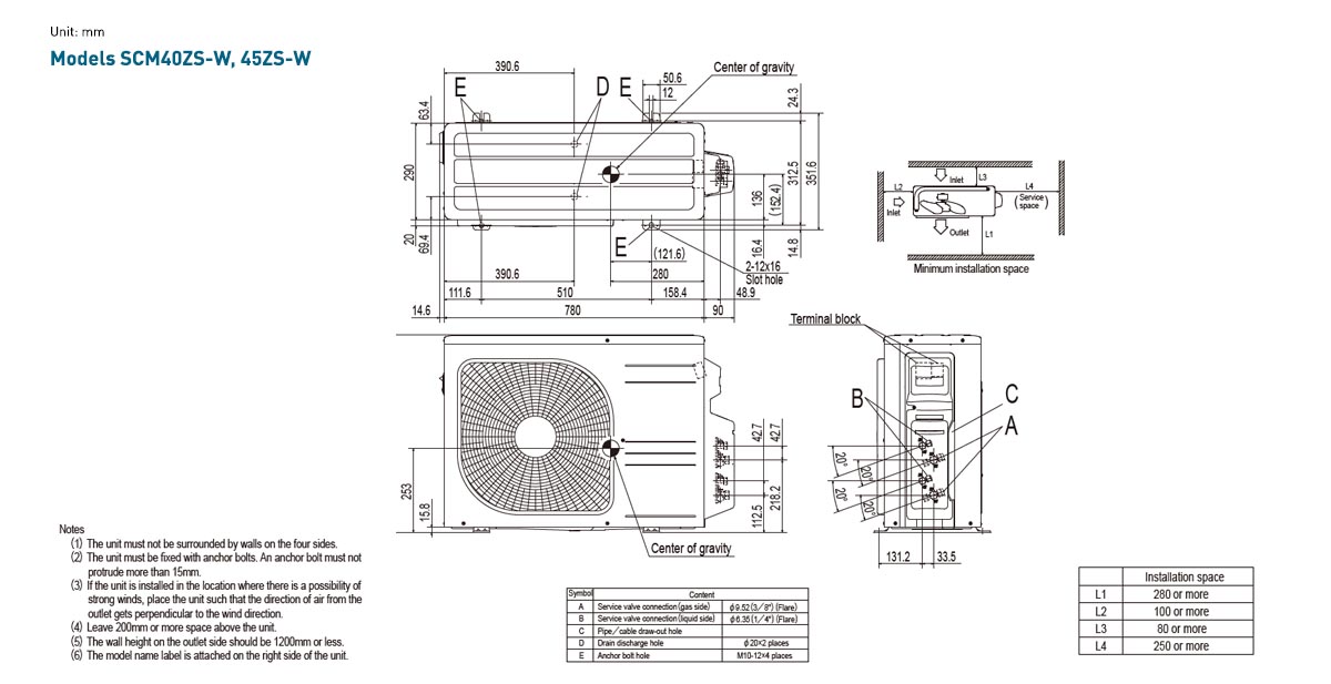
Mitsubishi Heavy Multi Split Buitenunit – SCM40ZS-W
Met de SCM40ZS-W kunnen er twee ruimtes gekoeld, verwarmd, gefilterd en ontvochtigd worden. (4,0 kW – 2 poorten)
De SCM multisplit buitenunits van Mitsubishi Heavy Industries worden veelal ingezet bij woonhuizen en kleine zakelijk gebruik.
Met de ontwikkelde DC Twin Rotary-compressor bieden deze units weinig trillingen, stille werking en een hoog rendement.
Door de maximale leidinglengte zorgt deze oplossing voor flexibiliteit bij het positioneren van uw buiten- en binnenunit(s).
In het geval van de aankoop bevestigen u dat u voldoet aan ” Verordening (EU) nr. 517/2014 van het Europees Parlement en de Raad van 16 april 2014 ü inzake gefluoreerde broeikasgassen en tot intrekking van Verordening (EG) nr. 842/2006″ en alleen een F-gassen gecertificeerd installateur mag de installatie uitvoeren.





